BE 2025 Groupe4

From Wiki PeiP systèmes embarqués
Jump to navigation Jump to search

22/01

Brochage nf24.png

Nous avons pour idée de faire un robot télécommandé qui se déplace avant/arrière et gauche/droite.

Liste de matériel:

  • chassis (pas de taille)
  • roues
  • arbre
  • 2 moteurs
  • carte électronnique
  • cables
  • pile et support
  • (télécomande et récepteur signal)

information nf24

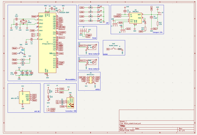
SE3Groupe2024-2

Schéma kicad.png

23/01

probleme: batterie: 3.7v alors que nrf24 max 3.6v

Modélisation sur kicad et début du routage